Bardl WS-819 Беспроводная конференц-система
Совершенная комбинация беспроводной радио-технологии
и технологии интеллектуального микширования.
Монтаж системы прост и возможен даже после проведения ремонта помещения.
Подготовка к работе не занимает много времени достаточно лишь расставить пульты.
После окончания конференции также просто и быстро убрать пульты,
для того, что бы подготовить помещение, например, к банкету.
Bardl WS-819 является полноценной системой с функцией председателя.
Базовый комплект состоит из центрального блока, пульта председателя и пяти пультов делегатов.
Система расширяется до 18 пультов участников ( WS-819 + 2 шт.- WS-819A ).
Идеальное решение для организации брифинг-систем, небольших конференц-залов
и многофункциональных комнат для офисов, гостиниц, кабинетов руководителей и т.д.
Принцип работы беспроводной связи микрофонных пультов и центрального блока
основан на передачи сигнала по радиоканалу на разнесенных частотах в диапазоне UHF 600-900MHz,
что гарантирует высокое качество передаваемого сигнала.
Зона уверенного приема составляет 50 метров.
Система состоит из шести приемников, которые принимают сигнал от шести передатчиков пультов.
Автоматическое сканирование частоты при нажатии кнопки находит свободные каналы.
Цифровой процессор сравнивает мощность сигналов, принимаемых с двух антенн.
Патентованная система автоматического выбора частоты устройства , при которой приемник сканирует
ширину диапазона и настраивается на свободные от интерференции частоты, затем передает
установленную частоту на передатчик через инфракрасный порт (при нажатии кнопки).
Система имеет индикаторы приема антенн А и В которые показывают условия
и мощность принимаемого сигнала.
Центральный блок WS-819
Конструктивно выполнен в виде 19 дюймового крейта
с органами управления и шестью встроенными приемниками с настраиваенмыми частотами.

- Двухантенный настольный приемник с шестью настраиваемыми частотами,
автонастройкой по IR-каналу - Имеет современный эргономичный дизайн
- Возможность установки в стандартную рэковую стойку 19"
- Автоматический подавитель обратной акустической связи
- Регулировка уровня выходного сигнала
- Светодиодные индикаторы активности
- Возможность выбора одновременно активных микрофонов 1,2,3,4
- Приоритет микрофона председателя
- Один балансный микшированный аудиовыход XLR, один небалансный аудиовыход
- Расширение: разъем подключения дополнительных блоков
(до 4-х, соответственно до 24-ти пультов) - Разъем для подключения наушников
- Частотный диапазон: UHF 520-850MHz
- Количество каналов: 6 каналов
- PLL Synthesized Control - фазовая автоподстройка (ФАП), ручная настройка,
настройка по IR-каналу - Тип модуляции: FM
- Стабилизация: Quartz-controlled
- Мощность излучения: 10mW
- Выходное сопротивление: Blanced 200 Ом, Unbalanced 5кОм
- Диапазон воспроизводимых частот: 50Hz-18KHz+/-3dB
- Элекропитание: 12V (110V-220V)
- Мощность: 15W
- Размеры (мм): 40 х 90 х 260 EIA standard 2U
Пульт делегата/ председателя WS-819D/ WS-819C

- Настольный микрофонный радиопередатчик UHF диапазона с настроаиваемой частотой
- Кнопка включения микрофона (с фиксацией)
- Светодиодный индикатор активности микрофона
- Микрофон на гибкой основе - 45 см.
- Встроенная антенна
- Электропитание: 3V (две батарейки типа АА 1,5 V)
- Частотный диапазон: UHF 520-850MHz
- Количество каналов: 1настраиваемый
- Тип микрофона: Condenser
- Мощность излучения: 10mW
- Тип модуляции: FM
- Стабилизация: Quartz-controlled
- Девиация: +/-45kHz
- Макс. выходное напряжение: Balanced: -20dBV/100 Ом, Unbalanced: -4dBV/5кОм.
- Диапазон воспроизводимых частот: 50Hz-18KHz+/-3dB
- Элекропитание: DC3V (1.5V battery х2)
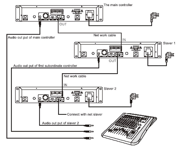
Схема соединений при каскадировании блоков:

Скачать инструкцию BARDL WS-819 (язык русский)
Уважаемые покупатели!
В связи с нестабильной котировкой курса EUR и USD по отношению к рублю, просим Вас
уточнять цену и наличие товара на складе у менеджеров нашего интернет магазина по телефону:
8 (900) 620-34-56 или по E-mail: r.store@light-sound-service.ru
Окончательная стоимость заказа формируется после обработки заказа менеджером вручную.
Цены на сайте могут отличаться от цен в базе данных.

